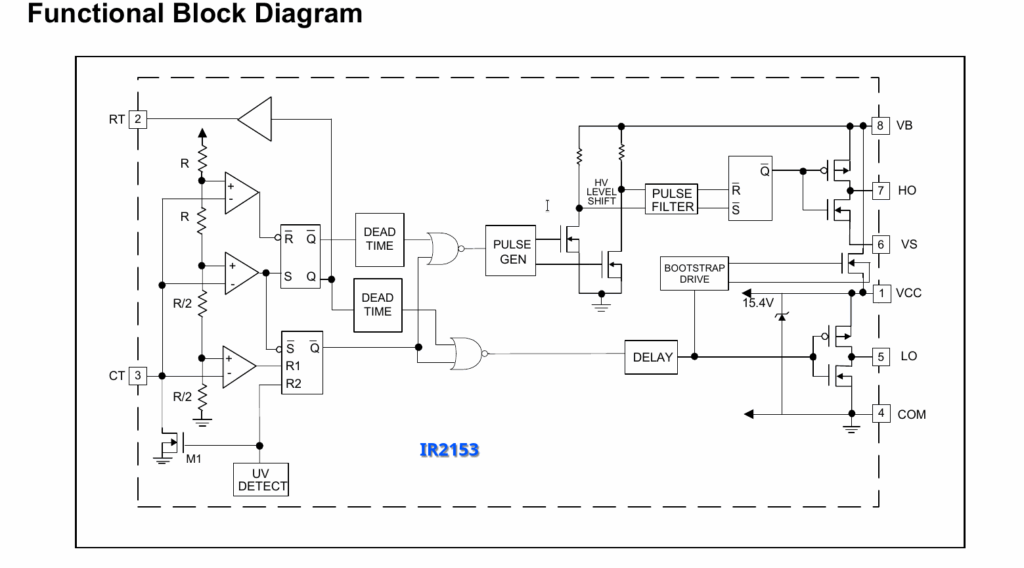
diagrama ir2153

Esquema MAX 12/15 e Placa de teste CI ir2153 (jbl)

Neste artigo o foco principal é a manutenção da famos JBL MAX 10, 12 e 15.

Espero ajudar da melhor forma possível. Como o post foi perdido, vou tentar recapitular.


Teste CI IR2153

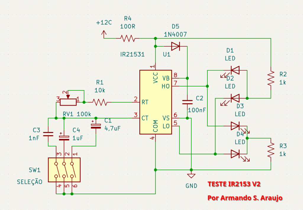
Este circuito foi o primeiro que montei e usei até que em um caso, os mosfets queimaram mas eu tinha certeza que não havia mais nada na placa com problema e desconfiei que poderia haver alguma falha no CI que, mesmo testando fora da placa parecia bom mas então avaliei o datasheet e observei que cada canal tem dos mosfets internos e com este teste eu não saberia com certeza que estavam bons.

IR2153-DIAG-BLOCOS

Alterei então o circuito para visualizar o funcionamento e confirmei que um dos mosfets internos não estava comutando. O led ficou aceso e não apagava nos ciclos corretos. O circuito em questão é o da figura abaixo:

teste-ir2153-v2

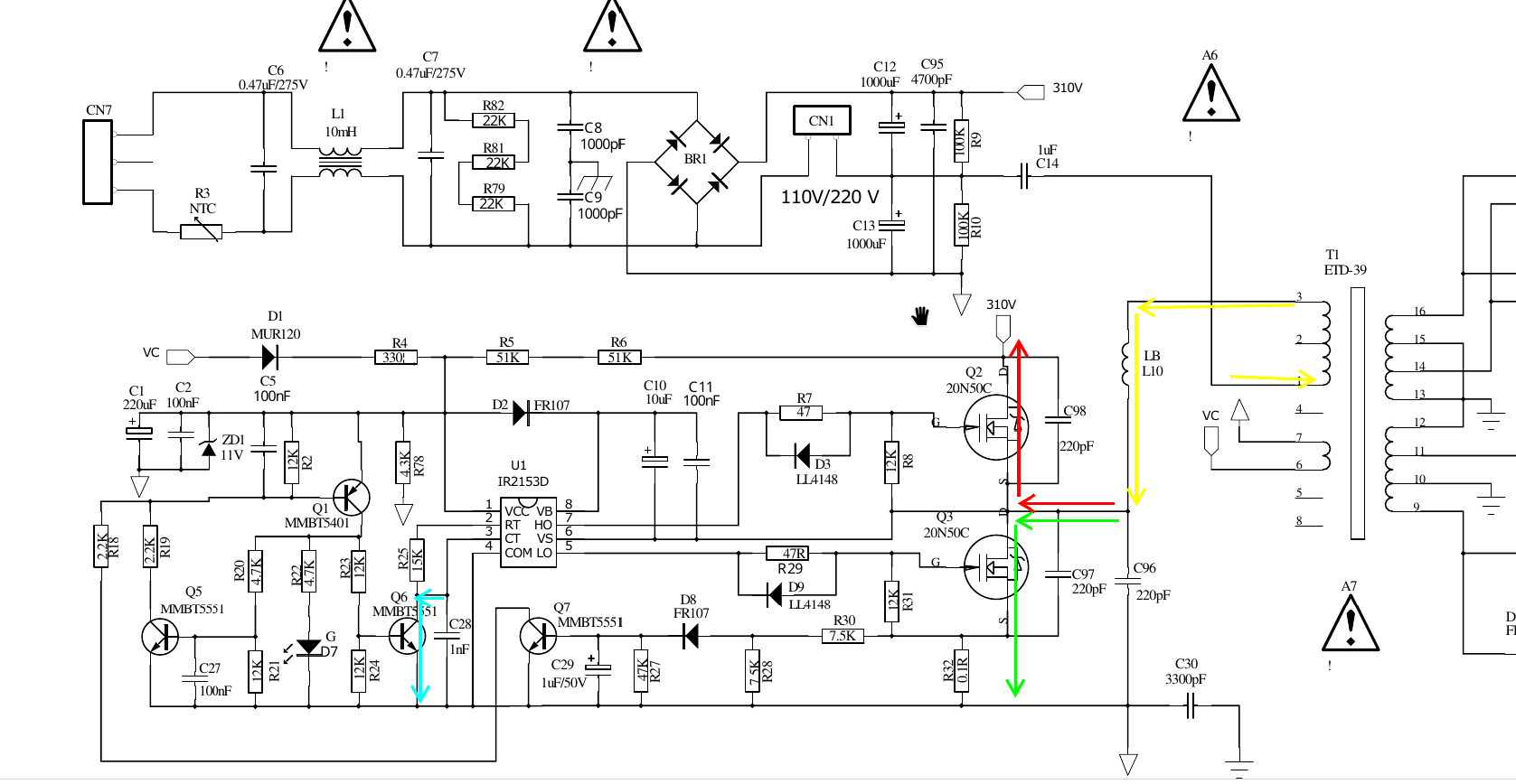
Abaixo o esquema original da Max 12/15 que um colega enviou no whatsapp

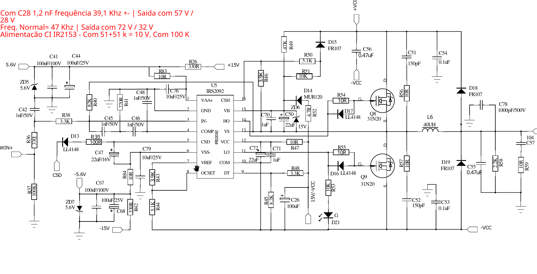
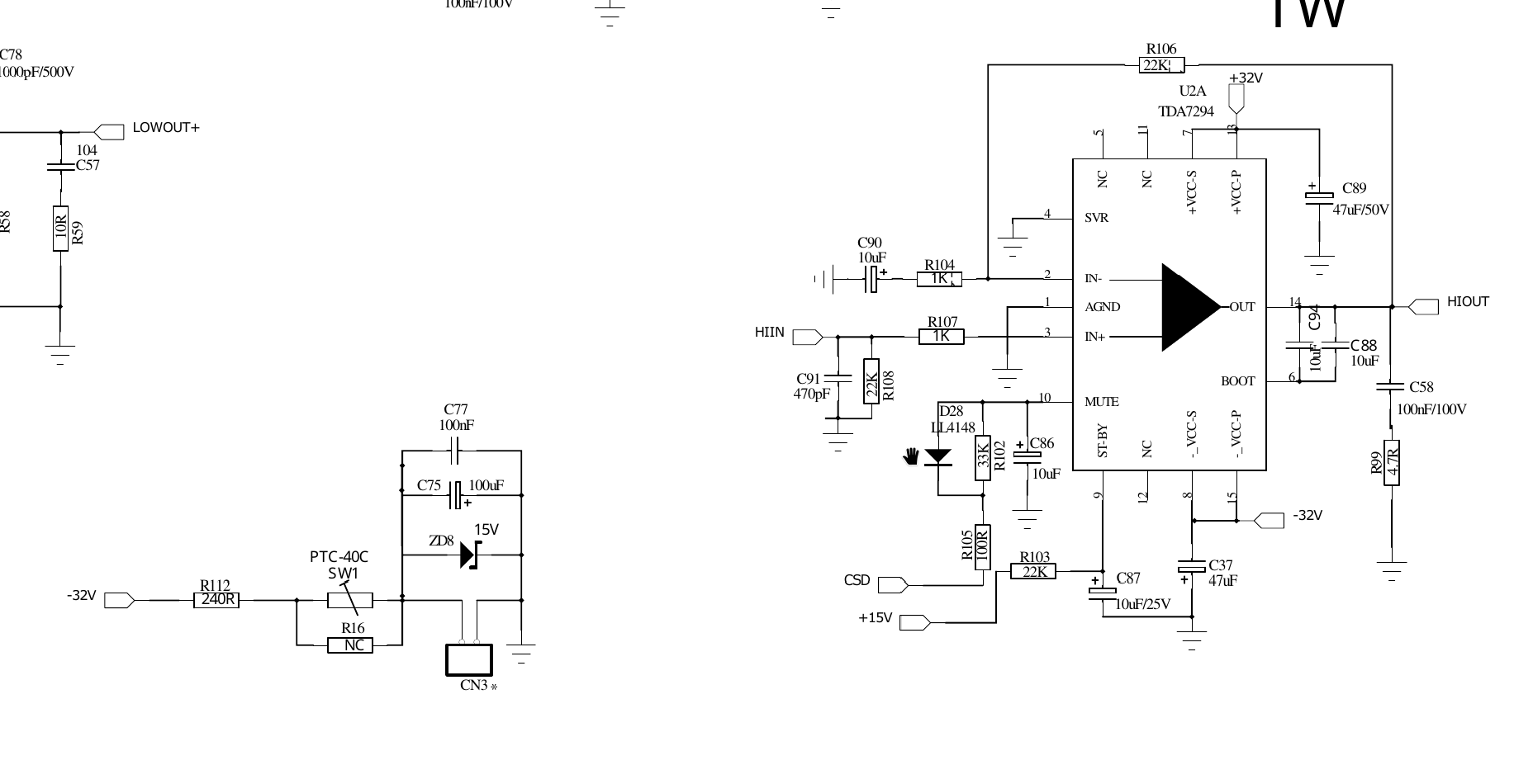
Amplificado Hi MAX 12/15
Amplificado LOW MAX 12/15
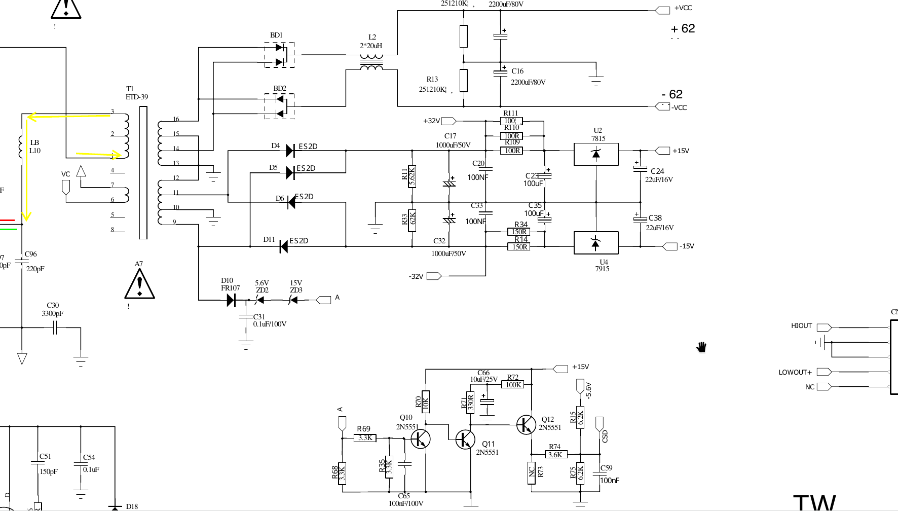
SECUNDÁRIO FONTE MAX 12/15

Dicas gerais

Não tenho esquema da MAX 10 mas ele é similar. O que difere basicamente é que o resistor R25 de 15 k na MAX 15 é de 10 k na MAX 10. Claro que a saída também é diferente, por ser menos potente e tem seus nuances no projeto.

No geral, a maior dificuldade é conseguir peças boas, que funcionem corretamente. Nas primeiras que consertei eu colocava um mosfet e queimava na hora! Demorei a descobrir que “todos os 20N50C que comprei eram falsos!! Teve caso de funcionar algum e mesmo sendo do mesmo fornecedor, queimavam em seguida e por consequência, queimava o CI IR2153, diodos D3 e D9, R7, R29…

Hoje uso outros mosfets no lugar, depois de muito sofrer e perder peças!

Creio que não dá para escrever tanto a respeito, porquê são muitos detalhes, mas todas que pego vem com praticamente tudo queimado :-(. Acaba dando outros problemas, pois as trilhas se rompem e é complicado de reparar, pois tem que testar uma a uma com paciência. Os resistores de 51 k eu costumo ressoldar, pois falham com frequência e o zener ZD1 de 11 V eu troco mesmo que aparente bom. como este zener está na linha de frente da tensão de entrada (300 V), quando liga em 220 V ele recebe o dobro da tensão e mesmo com o divisor formado por R5, R6 e R78, ele não suporta e, ou fica com fuga ou entra em curto. Lá no canal do Youtube tem vários vídeos falando sobre esta caixa e te espero lá. Só pesquisar no canal JBL que vai aparecer a lista de vídeos.

Se este conteúdo for útil, você pode nos ajudar contribuindo com a manutenção do site em https://apoia.se/aee ou clicando no botão abaixo. Qualquer valor é importante. Obrigado!

Abraços!

Armando S. AraujoAEE Eletroeletrônica e Informática

13 comentários

    • Estou com uma caixa JBL Max12, após a troca do mosfet e Ci IR2153, está ligando mais esta queimando os resistores R116 e R117, estou precisando do esquema desse setor do circuito para analisar, se alguém poder me ajudar.

      • Precisa verificar a tensão da fonte se está correta. Não é comum, mas pode ocorrer de queimar os mosfets da saída também.

      • Mauro olá tentei encontrar os resistores que mencionou R 116 e 117 ,mas não encontrei,em que setor eles estão ali no circuito? Geralmente quando estão queimando fets,é erro de pwm,verifique tudo, e se tiver osiloscópio retire os fets e faça aferição dos sinais pwm…para sair da dúvida da integridade do IR2153, se estiver enviando pwm com erros,com certeza queimariam os fets.

      • Quase certeza que é o ir2153 falso,mas se tiver faça aferição de pwm,sem os fets primeiro na fonte de bancada e logo após pela alimentação Av do max.para daí encontrar a.solução…Espero ter ajudado.

  1. Boa tarde, agradeço muito sua atenção, solicito por gentileza, se alguém tiver disponível, o esquemático do hardware, ou seja o esquema elétrico da PCB, a placa de circuito elétrico, da caixa de som JBL, Max 12

    Um desavisado, ligou a caixa em 220Vs, danificando a fonte de alimentação, como técnico em eletrônica habilitado há mais de 40 anos com CREA e em constante desenvolvimento, na área eletrônica, fiz a análise e o reparo básico na fonte chaveada, a caixa liga, o display configura e acessa o Blue Tooth, o mixer recebe o sinal no display, mas não tem som, tem os +50 e -50Vs , +15V e -15V, as tensões normais, mas sem som, não tem graves nem agudos

    Mas não consigo resetar, conforme especificado no manual, pressionando o botão pausa e o aumento de volume, a caixa não desliga.

    Ante aos fatos, solicito ajuda para resolver o problema, através de dicas ou do esquema elétrico, mapa necessário para a navegação e orientação em uma análise mais apurada.

    Aguardando uma dica, ou o fornecimento da documentação do esquema elétrico Max 12 à fim de resolver o problema, agradeço antecipadamente:
    Nome: Luiz Monteiro
    WhatsApp/cel: (19)991740702
    E-mail: luizhmonteiro56@gmail.com

    • Sr. Luiz Monteiro, já testou os amplificadores de graves e agudos separado do pré amplificado? Pois se acendeu o led branco no power amp geralmente os amplificadores funcionam, e o problema pode estar no pré amp. Recebi em minha oficina uma MAX que acendia tudo e sem som… Era o chip CMOS queimado que impedia do processador de trabalhar, logo os sinais Hi/Low não chegavam nos amplificadores. Esse defeito é incomum porém aconte e é muito difícil de resolver, uma vez que a CMOS precisa ser trocada e gravada com as rotinas de fábrica ou similares á esta para funcionar corretamente. O processador também deve ser trocado no caso de surto elétrico pelo GND do input da caixa. Espero ter ajudado em algo.

    • a CHAVE É PARA TROCAR O CAPACITOR e fazer teste em outras frequências com o osciloscópio. Costumo testar na frequência da JBL (capacitor de 1nF) para ver se dá alteração de funcionamento.

Deixe um comentário

O seu endereço de e-mail não será publicado. Campos obrigatórios são marcados com *